テフロン、フッ素樹脂、フッ素、樹脂の曲げ・溶接・切削加工なら株式会社富士工業へ

富士工業 テフロン・フッ素樹脂 製品 加工 東京都新宿区高田馬場4-40-12
home PFA溶着継手 フレキシブルチューブ 0リング 加工案内 加工実績 会社案内 お問合せ

半導体製造・食品生産ラインの配管に求められる高度な要求をクリア


お客様のあらゆる要望にきめ細かい対応とより完成度の高い製品を
お届けします。さまざまなサイズや形状の製品を用意していますし、
テフロン・ふっ素樹脂のことを熟知した技術者と専用の製造設備を
備えていますので、お客さまの仕様に応じた製品を設計・製造
することも可能です。


PFA 溶接継手はPFAを射出成形したエルボやチーズに、
PFAチューブを直接溶着した配管継手です。
溶着をすることによって、漏れなどの心配がない安全な製品と
なっています。使用する薬剤や気体の漏出を防ぎたい場合に、
効果のある継手です。


PFAチューブの曲げ加工や接続のコンパクト化に有効な製品ですので、製品や設備の小型化に役に立ちます。従来の継手では不可能だった、
短い長さで部品や製品間を接続することができるようになっています。
継手のサイズの影響で、装置・設備が大きくなってしまうと不満を感じていた方は、是非弊社の製品をお試しください。お客様の必要とする仕様をお聞かせくだされば、最適な製品の提案をさせていただきます。



  特徴 <Features>

■ シンプルな構造が採用されていますので、従来品より低コスト化を実現することができました
■ ショートサイズのためコンパクトな配管が行えますので、省スペース化が可能です
■ 継手とPFAチューブを溶着にて完全シールを実現していますので、緩みや漏れがなく増し締めも不要です
■ テフロン・ふっ素樹脂の特性をいかして高い耐熱性(+200℃)を有する上に、熱サイクルや振動にも強くなっています
■ お客様から指定された配管図面により、溶着配管ユニットでの製作・納入も可能です
■ 短納期で対応いたします

  仕様 <Specifications>

■ 材料 <Material>
PFA:四フッ化エチレン・パーフルオロアルコキシエチレン共重合樹脂
■ 最高使用温度 <Highest Use Temperature>
+200℃
■ 最高使用圧力 <Highest Use Pressure>

  仕様 <Specifications>

■ 材料 <Material>
PFA:四フッ化エチレン・パーフルオロアルコキシエチレン共重合樹脂
■ 最高使用温度 <Highest Use Temparature>
+200℃
■ 最高使用圧力 <Highest Use Pressure>
Size(Inch)+20℃(MPa)
1 0.5
3/4 0.7
1/2 1.0
3/8 1.4

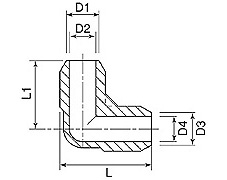
  型式構成 <Model Constitution>



  エルボ <Elbow>


Model SizeLL1D1D2D3D4
FFE-147 32 25.4 22 25.4 22
FFE-3/441 29 19 16 19 16
FFE-1/233 24 13 10 13 10
FFE-3/828 21 10 8 10 8
単位:mm

  ティー <Tee>


Model SizeLL1D1D2D3D4
FFT-164 32 25.4 22 25.4 22
FFT-3/458 29 19 16 19 16
FFT-1/248 24 13 10 13 10
FFT-3/842 21 10 8 10 8
単位:mm

  レデューサ <Reducer>


Model SizeLD1D2D3D4
FFR-1×3/426 25.4 22 19 16
FFR-3/4×1/225 19 16 13 10
FFR-1/2×3/823 13 10 10 8
単位:mm

※レデューサは、PFA切削加工品になります。 ※特注サイズも製作可能ですので、ご相談下さい。

  サンプル <Sample>

サンプル サンプル
サンプル サンプル
液面計 コイルチューブ
バブラー管 PFA溶着継手

試作の無料相談実施中

お問合せ

お客様の声
お客様の声
お客様の声
よろず相談コーナー
会社案内
設備案内
お問合せ
Copyright 2011 Fuji-Kougyou Co.,Ltd. All Rights Reserved.
株式会社 富士工業